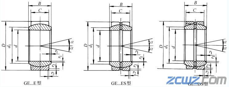
GE…E、GE…ES、GE…DS型向心关节轴承的结构型式和外形尺寸
E (正 常) 系 列 | ||||||||||
轴 承 型 号 | 尺 寸 /mm | α/(°) ≈ | ||||||||
GE…E型 | GE…ES型 | GE…DS型 | d | D | B | C | d1min | r1smin | r2smin | |
GE4E | 4 | 12 | 5 | 3 | 6 | 0.3 | 0.3 | 16 | ||
GE5E | GE5DS | 5 | 14 | 6 | 4 | 7 | 0.3 | 0.3 | 13 | |
GE6E | GE6DS | 6 | 14 | 6 | 4 | 8 | 0.3 | 0.3 | 13 | |
GE8E | GE8DS | 8 | 16 | 8 | 5 | 10 | 0.3 | 0.3 | 15 | |
GE10E | GE10DS | 10 | 19 | 9 | 6 | 13 | 0.3 | 0.3 | 12 | |
GE12E | GE12DS | 12 | 22 | 10 | 7 | 15 | 0.3 | 0.3 | 10 | |
GE15ES | GE15DS | 15 | 26 | 12 | 9 | 18 | 0.3 | 0.3 | 8 | |
GE17ES | GE17DS | 17 | 30 | 14 | 10 | 20 | 0.3 | 0.3 | 10 | |
GE20ES | GE20DS | 20 | 35 | 16 | 12 | 24 | 0.3 | 0.3 | 9 | |
GE25ES | GE25DS | 25 | 42 | 20 | 16 | 29 | 0.6 | 0.6 | 7 | |
GE30ES | GE30DS | 30 | 47 | 22 | 18 | 34 | 0.6 | 0.6 | 6 | |
GE35ES | GE35DS | 35 | 55 | 25 | 20 | 39 | 0.6 | 1.0 | 6 | |
GE40ES | GE40DS | 40 | 62 | 28 | 22 | 45 | 0.6 | 1.0 | 7 | |
GE45ES | GE45DS | 45 | 68 | 32 | 25 | 50 | 0.6 | 1.0 | 7 | |
GE50ES | GE50DS | 50 | 75 | 35 | 28 | 55 | 0.6 | 1.0 | 6 | |
GE60ES | GE60DS | 60 | 90 | 44 | 36 | 66 | 1.0 | 1.0 | 6 | |
GE70ES | GE70DS | 70 | 105 | 49 | 40 | 77 | 1.0 | 1.0 | 6 | |
| GE80ES | GE80DS | 80 | 120 | 55 | 45 | 88 | 1.0 | 1.0 | 6 |
GE90ES | GE90DS | 90 | 130 | 60 | 50 | 98 | 1.0 | 1.0 | 5 | |
GE100ES | GE100DS | 100 | 150 | 70 | 55 | 109 | 1.0 | 1.0 | 7 | |
GE110ES | GE110DS | 110 | 160 | 70 | 55 | 120 | 1.0 | 1.0 | 6 | |
GE120ES | GE120DS | 120 | 180 | 85 | 70 | 130 | 1.0 | 1.0 | 6 | |
GE140ES | GE140DS | 140 | 210 | 90 | 70 | 150 | 1.0 | 1.0 | 7 | |
GE160ES | GE160DS | 160 | 230 | 105 | 80 | 170 | 1.0 | 1.0 | 8 | |
GE180ES | GE180DS | 180 | 260 | 105 | 80 | 192 | 1.1 | 1.1 | 6 | |
GE200ES | GE200DS | 200 | 290 | 130 | 100 | 212 | 1.1 | 1.1 | 7 | |
GE220ES | GE220DS | 220 | 320 | 135 | 100 | 238 | 1.1 | 1.1 | 8 | |
GE240ES | GE240DS | 240 | 340 | 140 | 100 | 265 | 1.1 | 1.1 | 8 | |
GE260ES | GE260DS | 260 | 370 | 150 | 110 | 285 | 1.1 | 1.1 | 7 | |
GE280ES | GE280DS | 280 | 400 | 155 | 120 | 310 | 1.1 | 1.1 | 6 | |
GE300ES | GE300DS | 300 | 430 | 165 | 120 | 330 | 1.1 | 1.1 | 7 | |
G(中) 系 列 | ||||||||||
轴 承 型 号 | 尺 寸 /mm | α/(°) ≈ | ||||||||
GEG…E型 | GEG…ES型 | GEG…DS型 | d | D | B | C | d1min | r1smin | r2smin | |
GEG4E | 4 | 14 | 7 | 4 | 7 | 0.3 | 0.3 | 20 | ||
GEG5E | 5 | 16 | 9 | 5 | 8 | 0.3 | 0.3 | 21 | ||
GEG6E | 6 | 16 | 9 | 5 | 9 | 0.3 | 0.3 | 21 | ||
GEG8E | 8 | 19 | 11 | 6 | 11 | 0.3 | 0.3 | 21 | ||
GEG10E | 10 | 22 | 12 | 7 | 13 | 0.3 | 0.3 | 18 | ||
GEG12E | 12 | 26 | 15 | 9 | 16 | 0.3 | 0.3 | 18 | ||
GEG15ES | GEG15DS | 15 | 30 | 16 | 10 | 19 | 0.3 | 0.3 | 16 | |
GEG17ES | GEG17DS | 17 | 35 | 20 | 12 | 21 | 0.3 | 0.3 | 19 | |
GEG20ES | GEG20DS | 20 | 42 | 25 | 16 | 24 | 0.3 | 0.3 | 17 | |
GEG25ES | GEG25DS | 25 | 47 | 28 | 18 | 29 | 0.6 | 0.6 | 17 | |
GEG30ES | GEG30DS | 30 | 55 | 32 | 20 | 34 | 0.6 | 1.0 | 17 | |
GEG35ES | GEG35DS | 35 | 62 | 35 | 22 | 39 | 0.6 | 1.0 | 16 | |
GEG40ES | GEG40DS | 40 | 68 | 40 | 25 | 44 | 0.6 | 1.0 | 17 | |
GEG45ES | GEG45DS | 45 | 75 | 43 | 28 | 50 | 0.6 | 1.0 | 15 | |
GEG50ES | GEG50DS | 50 | 90 | 56 | 36 | 57 | 0.6 | 1.0 | 17 | |
GEG60ES | GEG60DS | 60 | 105 | 63 | 40 | 67 | 1.0 | 1.0 | 17 | |
GEG70ES | GEG70DS | 70 | 120 | 70 | 45 | 77 | 1.0 | 1.0 | 16 | |
GEG80ES | GEG80DS | 80 | 130 | 75 | 50 | 87 | 1.0 | 1.0 | 14 | |
GEG90ES | GEG90DS | 90 | 150 | 85 | 55 | 98 | 1.0 | 1.0 | 15 | |
GEG100ES | GEG100DS | 100 | 160 | 85 | 55 | 110 | 1.0 | 1.0 | 14 | |
GEG110ES | GEG110DS | 110 | 180 | 100 | 70 | 122 | 1.0 | 1.0 | 12 | |
GEG120ES | GEG120DS | 120 | 210 | 115 | 70 | 132 | 1.0 | 1.0 | 16 | |
GEG140ES | GEG140DS | 140 | 230 | 130 | 80 | 151 | 1.0 | 1.0 | 16 | |
GEG160ES | GEG160DS | 160 | 260 | 135 | 80 | 176 | 1.0 | 1.1 | 16 | |
GEG180ES | GEG180DS | 180 | 290 | 155 | 100 | 196 | 1.1 | 1.1 | 14 | |
GEG200ES | GEG200DS | 200 | 320 | 165 | 100 | 220 | 1.1 | 1.1 | 15 | |
GEG220ES | GEG220DS | 220 | 340 | 175 | 100 | 243 | 1.1 | 1.1 | 16 | |
GEG240ES | GEG240DS | 240 | 370 | 190 | 110 | 263 | 1.1 | 1.1 | 15 | |
GEG260ES | GEG260DS | 260 | 400 | 205 | 120 | 285 | 1.1 | 1.1 | 15 | |
GEG280ES | GEG280DS | 280 | 430 | 210 | 120 | 310 | 1.1 | 1.1 | 15 | |








